caelg10t.gif (9594 bytes)

DYNACO-MARK 4 POWER AMPLIFIER  -- DRIVER AMPLIFIER & QUAD CAPACITOR UPGRADE MODULES

Many of you have requested that we develop upgrade modules for the Dynaco Mark 4 that will deliver the same audible improvements as our Stereo 70 and Mark 3 all triode upgrade modules. You also requested a simple and reliable Quad Capacitor replacement Module. We thank you for your suggestion and in response we are very pleased to announce two new modules for the Mark-4: our PWB-4U driver stage (replaces the 7199 board) upgrade module and our PWB-M4U "Quad" capacitor replacement module.

CAE PWB-4U DRIVER STAGE

PWB-4U Driver Amplifier

Schematic Diagram

  • All Triode Full Direct Coupled  Circuit Design Provides Ultra High Stability and Highest Sonic Purity
  • Accepts 6922, 6N1P, 7308, 6DJ8, or 6CG7
  • Instrumentation Style "STAR" Grounding Assures Signal Purity and Freedom from Hum & Noise
  • High Input Impedance is Ideal Match for Passive Preamps
  • Extremely Easy to Install - Exact Size "Drop In" & Original Terminal Labels
  • Can be Operated With or Without Feedback
  • Optional AC Balance for perfect phase inversion
  • Optional DC Bias Balance to match Output Tube Parameters
  • Optional Polypropylene Capacitors

 Our goal for the Mark 4 was to duplicate the significant audible and measurable performance improvements we achieved in our upgrade of its sister amplifier - the Stereo 70. And we did - like the Stereo 70, it preserves the musicality of the original while dramatically improving the spectral performance to a near perfect balance that is neither warm nor analytical (just balanced). Another benefit of the highly linear all triode design is a significant improvement in imaging. Finally you will be very pleased with its substantially improved bass performance that is both deeper and much tighter (a major weakness of the original) along with a noticeable increase in dynamic contrasts. Not surprising, the circuit topology is virtually identical to our upgrade module for the Stereo -70 (highly linear all triode cascode amplifier direct coupled to a split load phase inverter) but incorporates slightly different compensation to to ensure perfect stability with the Mark 4.

While we were designing the pc board, we included a few optional features that many of you requested as well including a DC Balance potentiometer (to balance the DC bias in the output tubes) and an AC Balance potentiometer to perfectly balance the phase inverter stage. Installation is perfectly straightforward since the board is exactly the same size as the original including the exact labeling of the connectors. You simply de-solder the connections from the original board, drop in the upgrade board, and reconnect the wires to the same pads. So, within an hour you will be enjoying your Mark-4 like never before. Feel free to download our comprehensive instructions to see for yourself just how easy it is. You may purchase the board blank or fully assembled. You may also purchase the board and parts as a kit. 

Blank Board Pair (PWB-4U) = $80

Blank Board Pair w/Parts (KIT-4U) = $122

Assembled Board Pair (ASM-4U) = $150

Driver Tube Option, 4 Premium 6922 Dual Triodes (OPT-V-4) = $64

DC Bal Adjust Option per Pair (OPT-DCB-4U) = Add $24

AC Balance Option per Pair (OPT-ACB-4U) = Add $24

Polypropylene Capacitor Option per Pair (OPT-PPC-4U) = Add $27

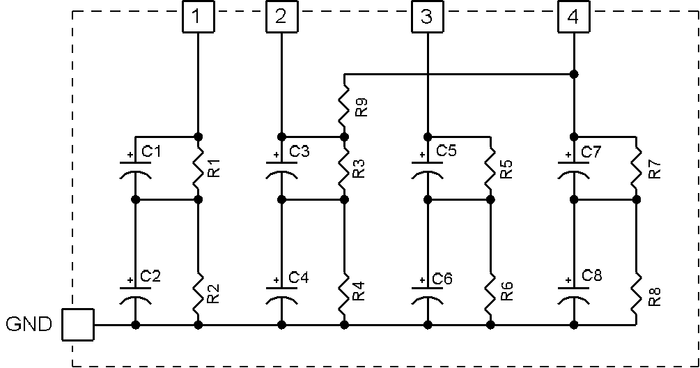
PWB-M4U "QUAD" CAP MODULE

PWB-M4 QUAD Cap Supply

Schematic Diagram

  • Increases Both the Capacitance and Voltage Rating (to 600 VDC)
  • High Reliability Capacitors used with Resistive Dividers to Protect Capacitors
  • Includes Original Filter Power Resistors
  • Can be Configured for Either Tube or Solid State Rectifiers
  • Extremely Easy to Install - Mounts in Existing Holes & Uses Original Terminal Labels

One of the most frequent failures in the Dynaco Mark 4 is the original "Quad" electrolytic capacitor. Worse, direct replacements are both expensive and offer no improvement in reliability. To address this problem, we have designed a replacement module that contains a composite of high quality capacitors and will easily mount in the area occupied by the original capacitor. Our M4U module utilizes high quality - high reliability radial capacitors that will provide many years of service. The composite capacitor array increases the original capacitance (30,20, 20, 20 to 50, 50, 33, 33) and raises the voltage rating (500VDC to 600VDC). The original filter resistors are included. It supports either Tube or Solid State rectification. Installation is very easy since it mounts in existing holes on the top of the chassis (no drilling or cutting) - you simply mount, connect, and go. Our comprehensive documentation makes it easy - you can download it here to see for yourself.. We will be offering the board blank or as a kit with all parts. You may also purchase the boards fully assembled & tested.

.

Blank Board Pair (PWB-M4U) = $50

Blank Board w/ Parts Pair (KIT-M4U) = $127

Assembled Board Pair (ASM-M4U) = $185

copyright Curcio Audio 2008